Sep . 2021
Dans le processus de fourniture aux clients d'un support technique et d'une personnalisation RF, nous avons constaté qu'en raison des mises à niveau des exigences fonctionnelles et des mises à jour des produits, nous rencontrons souvent des problèmes qui nécessitent que des modules intégrés avec différentes puces sans fil communiquent entre eux, mais les spécifications, les différentes différences dans les paramètres et les formats de données, les gens se demandent par où commencer. Dans ce test, les modules sans fil frontaux RF RF4432PRO (intégrés à la puce Si4432) et RF4463PRO (intégrés à la puce Si4463) développés indépendamment par NiceRF Wireless Technology Co., Ltd. ont été sélectionnés, et des procédures expérimentales détaillées, des interfaces matérielles et des échantillons associés. les programmes ont été décrits. J'espère fournir une méthode de référence pour résoudre les problèmes de communication entre différentes puces sans fil.
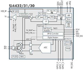
1.1 Performances et caractéristiques de la puce


Figure 1 : Schéma fonctionnel des modules intégrés aux puces Si4432 et Si4463
Le Si4432 du module sans fil RF4432PRO est une puce émetteur-récepteur radiofréquence haute performance développée par Silabs aux États-Unis avec une bande de fréquence de travail inférieure à 1 GHz, qui appartient à sa série EzRadioPro. Il a été largement utilisé dans l'industrie, la recherche scientifique, le médical (ISM) et les équipements de communication sans fil à courte portée (SRD) en Chine. Sa puissance de sortie peut atteindre +20 dBm et sa sensibilité de réception peut atteindre -121 dBm.
Le module sans fil RF4463PRO utilise Silicon Lab Si4463, qui est une puce émetteur-récepteur de bande de fréquence ISM sans fil hautement intégrée. La sensibilité de réception extrêmement faible (-126 dBm), associée à la puissance de sortie leader du secteur de +20 dBm, garantit une portée étendue et des performances de liaison améliorées. Dans le même temps, la diversité des antennes intégrées et la prise en charge des sauts de fréquence peuvent être utilisées pour étendre davantage la portée et améliorer les performances.
Les paramètres spécifiques peuvent être trouvés dans les manuels des puces Si4432 et Si4463. Les modules sans fil RF4432PRO et RF4463PRO fournissent une prise en charge matérielle pour les fonctions intégrées des puces Si4432 et Si4463. Les utilisateurs peuvent directement développer et contrôler la programmation et le contrôle du module conformément au manuel de la puce.
| Module sans fil | RF4432PRO | RF4463PRO |
| Gamme de fréquences | 403 MHz, 433 MHz, 463 MHz | 403 MHz, 433 MHz, 463 MHz |
| Courant d'émission | 85 mA, à 20 dBm | 85 mA, à 20 dBm |
| Recevoir le courant | 18,5 mA | 13,5 mA |
| Puissance statique | <1uA | <0,1uA |
| Plage de puissance de transmission | 1dBm~20dBm | -5dBm~20dBm |
| Sensibilité de réception | -121dbm @données=1,2Kbps | -126 dBm @données=500 bps |
Tableau 1 : Comparaison testée des paramètres RF RF4432 et RF4463 de Shenzhen NiceRF Wireless Technology Co., Ltd.
1.2 Conception matérielle du système
Le matériel du système expérimental utilisait les modules sans fil RF4432PRO et RF4463PRO de NiceRF Wireless Technology Co., Ltd. et leurs cartes DEMO correspondantes. Les modules RF4432PRO et RF4463PRO contiennent des circuits d'application de puces hautes performances de qualité industrielle qui ont passé avec succès des tests rigoureux. Connectez chaque module via les broches pour terminer la construction de la plate-forme matérielle. Grâce au contrôle du port SPI du microcontrôleur dans la carte DEMO, les deux modules émetteur-récepteur communiquent entre eux pour réaliser une transmission de données sans fil. En conjonction avec le module émetteur-récepteur frontal sans fil pour faciliter le débogage et les tests à distance du client. La carte de démonstration dispose de broches de module sans fil externes et les paramètres de réglage peuvent être enregistrés après la mise hors tension. L'utilisateur peut configurer le module sans fil via le bouton, tel que la fréquence de fonctionnement, la puissance de transmission et le taux de communication. Pour les définitions de broches spécifiques des modules sans fil RF4432PRO et RF4463PRO, veuillez vous référer à nos spécifications détaillées du produit.

Figure 2 : Shenzhen NiceRF Wireless Technology Co., Ltd. Connexion matérielle de la carte de démonstration et du module sans fil
La transmission et la réception de signaux sans fil sont le processus de modulation et de démodulation du signal. Qu'il s'agisse d'une communication de module sans fil identique ou différente, la différence dans les paramètres de modulation tels que le format de modulation, le taux et la fréquence de modulation, l'écart de fréquence et la bande passante de réception des deux parties des parties d'émission et de réception entraîneront la communication entre les modules. être incapable de communiquer.
2.1 Synchronisation du contrôle du bus SPI
La communication entre les modules RF4432PRO et RF4463PRO et le microcontrôleur consiste en ce que le module RF transmet des signaux sans fil en fonction des commandes de contrôle et des données écrites par le microcontrôleur via le bus SPI, et transmet les données reçues et les informations associées au microcontrôleur via le bus SPI. . Le timing SPI du Si4432 et du Si4463 est légèrement différent.

Figure 4 : Synchronisation d'écriture SPI de la puce Si4432

Figure 5 : Synchronisation d'écriture SPI de la puce Si4463
2.2 Mode Test
Les cartes de démonstration DEMO des modules RF4432PRO et RF4463PRO de Shenzhen NiceRF Wireless Technology Co., Ltd. disposent de deux modes de test : envoi régulier et réception régulière, ce qui est pratique pour le débogage des programmes. Le point commun des modules sans fil RF4432PRO et RF4463 en mode test de la carte de démonstration DEMO est qu'ils transmettent en continu "101010..." et peuvent voir les formes d'onde reçues en temps réel sur les broches correspondantes.

Figure 6
2.3 Mode normal
Les cartes de démonstration de Shenzhen NiceRF Wireless Technology Co., Ltd. Les modules sans fil RF4432PRO et RF4463PRO fonctionnent en mode PH+FIFO des Si4432 et Si4463. Le Si4432 et le Si4463 sont tous deux équipés d'une FIFO de 64 octets et des fonctions de traitement de paquets de données correspondantes. Dans ce mode, la puce ajoute et détecte automatiquement le préambule, le mot de synchronisation, le contrôle, etc., et indique l'état de la communication par le biais d'interruptions, ce qui facilite grandement le processus de communication. En mode de communication normal, il est nécessaire de s'assurer que les paramètres de format des paquets de données des deux modules de communication sont totalement cohérents, sinon la puce ne pourra pas générer d'interruptions.

Figure 7 : Format du paquet de données Si4432

Figure 8 : Format du paquet de données Si4463
2.4 Résumé
Comparez le format de paquet de données des puces Si4432 et Si4463 comme indiqué dans le tableau 5. Vous pouvez constater que le paquet de données Si4463 peut être divisé en plusieurs parties et que chacune a une vérification CRC, et que les parties restantes sont fondamentalement les mêmes. Pour garantir que les deux puces peuvent communiquer, définissez le format du paquet de données de test comme indiqué dans le tableau 6.
| Si4432 | Si4463 | |
| Préambule | 1 à 8 octets | 1 à 8 octets |
| Synchroniser le mot | 1 ~ 4 octets | 1 ~ 4 octets |
| En-tête d'émission | √ | √ |
| Longueur du paquet | √ | √ |
| DONNÉES | 0~64 octets | 0~64 octets |
| CRC | 0~2 octets | 0,2,4 octets |
Tableau 5 : Comparaison des formats de paquets de données Si4432 et Si4463
| Préambule | Synchroniser le mot | En-tête d'émission | DONNÉES | ||
| longueur | Si4432 | 8 octets | 2 octets | 4 octets | 10 octets |
| Si4463 | 8 octets | 2 octets | 4 octets | 10 octets | |
| contenu | Si4432 | "010101..." | 0xb42b | "swwx" | « ABCDEFGHIm » |
| Si4463 | "010101..." | 0xb42b | "swwx" | « ABCDEFGHIm » | |
Tableau 6 : Format des paquets de données de test
Les réglages des paramètres radiofréquence utilisés dans la communication du système sont : modules Si4432 et Si4463 à 433 M et 1,2 kbps, les paramètres avec la sensibilité de réception la plus élevée sont les suivants : Si4432, décalage de fréquence Si4463 : 20 kHz, 5 kHz ; bande passante 61 kHz, 28,62 kHz ; sensibilité-: 121dBm, -123dBm Lorsque Si4432 et Si4463 utilisent les paramètres ci-dessus pour communiquer, la distance de communication ne peut pas atteindre la même distance de communication de la puce. Par conséquent, envisagez de définir le décalage de fréquence des deux modules sans fil pour qu'il soit identique. Dans les applications pratiques, le Si4463 est principalement compatible avec le Si4432. Par conséquent, il a été décidé de remplacer le décalage de fréquence du Si4463 par le décalage de fréquence du Si4432 à 20 kHz. (Voir la pièce jointe pour la configuration spécifique du registre) Le format des données envoyées est indiqué dans le tableau 6. Pour garantir que les modules sans fil RF4432PRO et RF4463PRO peuvent fonctionner normalement et fournir des formes d'onde de référence, activez d'abord les mêmes modules pour communiquer en mode normal de la carte de démonstration DEMO sous ce paramètre.
3.1 Comparer les formes d'onde de réception et de transmission
En mode paquet de données, puisque la puce traite automatiquement les données, seuls les résultats sont affichés, ce qui n'est pas propice au débogage du programme. Par conséquent, nous utilisons le mode de test de la carte de démonstration DEMO et les broches externes de Shenzhen NiceRF Wireless Technology Co., Ltd. pour juger de la qualité de la communication en observant de manière synchrone la manière la plus intuitive d'envoyer et de recevoir des formes d'onde.
Réglez GPIO2 et GPIO1 de RF4432PRO et RF4463PRO sur la sortie de la fonction de sortie de données Rx, afin que les données reçues puissent être sorties des broches GPIO2 et GPIO1 en temps réel. Utilisez un analyseur logique pour observer simultanément les formes d'onde transmises et reçues des modules sans fil RF4463PRO et RF4432PRO et comparez-les en conséquence. Comme le montre la figure 10, on peut constater que RF4432PRO et RF4463PRO peuvent recevoir correctement les signaux transmis l'un de l'autre.


Figure 9 : 433 MHz, 1,2 Kbps, décalage de fréquence de 20 KHz RF4432 et RF4463 recevant la forme d'onde de test
Continuez à recevoir en mode test pendant un certain temps, observez chaque forme d'onde reçue, comme le montre la figure 11, constatez que le signal reçu n'est pas déformé et jugez que les modules sans fil RF4432PRO et RF4463PRO peuvent communiquer normalement sous ce paramètre de fréquence radio. .

Figure 11 : Forme d'onde de réception RF4463 sous 433 MHz, 1,2 kbps, décalage de fréquence de 30 kHz
3.2 Réception en mode paquet de données
Le module RF4432PRO et le module RF4463PRO reçoivent les formes d'onde correctes l'un de l'autre, de sorte que les paramètres RF sont conservés et le mode de fonctionnement de la carte de démonstration de Shenzhen NiceRF Wireless Technology Co., Ltd. est réglé en mode normal pour voir si la puce peut interrompre. Il a été constaté que ni le module RF4432PRO ni le module RF4463PRO ne généraient d'interruption de réception. Réglez la carte de démonstration DEMO sur la transmission normale RF4432PRO, la réception de test RF4463PRO, la transmission normale RF4463PRO, la réception de test RF4432PRO et comparez les formes d'onde des paquets de données transmis par RF4432PRO et RF4463PRO. Il s'avère que les paramètres de format de paquet de données des deux modules sont incohérents.

Figure 12 : RF4432 et RF4463 envoyant une forme d'onde de paquet de données à 433 MHz, 1,2 Kbps, décalage de fréquence de 20 Khz
Après comparaison, il s'avère que le mot de synchronisation 4463 ne correspond pas au réglage "0x2DD4", mais à "0xB42B". Et le préambule de 4432 est "0101...", pas le précédent "1010..." par défaut. Réajustez le format du paquet de données des deux modules et utilisez la carte de démonstration DEMO pour communiquer en mode normal. Il a été constaté que les modules sans fil RF4432PRO et RF4463PRO avaient reçu des interruptions.

Figure 13 : 433 MHz, 1,2 Kbit/s, décalage de fréquence de 20 Khz RF4463 et interruption RF4432
3.3 Organigramme global

Figure 14 : Organigramme de débogage des communications RF4432PRO et RF4463PRO
4.1 Résultats matériels
RF4463PRO fonctionne dans le mode de transmission normal de la carte de démonstration DEMO de Shenzhen NiceRF Wireless Technology Co., Ltd., et RF4432PRO fonctionne dans le mode de réception normal de la carte de démonstration DEMO. Le nombre de paquets envoyés et reçus est affiché à l'écran. Comme le montre la figure 18, il n'y a aucune perte de paquet après un envoi pendant un certain temps.

Figure 15 : Le schéma physique de la communication entre RF4432PRO (à gauche) et RF4463PRO
4.2 Résultats du logiciel
Dans la figure 19, 4432IRQ est la broche d'interruption du RF4432PRO et 4463IRQ est la broche d'interruption du RF4463PRO. On peut voir que chaque interruption d'envoi a une interruption de réception correspondante.

Figure 16 : Communication RF4432PRO et RF4463PRO interrompue
La clé de l'expérience réside dans les paramètres d'initialisation des modules sans fil RF4432PRO et RF4463PRO, et le reste est cohérent avec les procédures de communication entre les mêmes modules sans fil. Les codes d'initialisation des modules sans fil RF4432PRO et RF4463PRO réalisables pour les tests suivants peuvent être directement remplacés dans le programme de communication pour réaliser la communication entre les modules sans fil RF4432PRO et RF4463PRO. Le programme de test complet utilisé dans cette expérience peut être consulté dans le RF4432 DEMO CODE et le RF4463 DEMO CODE sur le site officiel de Shenzhen NiceRF Wireless Technology Co., Ltd.
5.1 Exemple d'initialisation du RF4432PRO
si4432_config.rar
5.2 Exemple d'initialisation du RF4463PRO
si4463_config.rar
Remarque : L'emplacement de téléchargement de la pièce jointe se trouve sous le titre de l'article.
Cet article décrit le processus de mise en œuvre détaillé, l'interface matérielle et l'exemple de programme des modules de communication émetteur-récepteur sans fil RF4432PRO et RF4463PRO de Shenzhen NiceRF Wireless Technology Co., Ltd., qui sont réalisables grâce à des expériences. La méthode de base pour réaliser la communication consiste à régler RF4432PRO et RF4463PRO sur les mêmes paramètres de fréquence radio et format de données. Cette méthode peut également être étendue à d'autres communications entre différents modules sans fil et puces sans fil. Si vous rencontrez des phénomènes expérimentaux différents de ceux décrits dans l'article, si vous avez des questions sur le processus expérimental ou d'autres idées, n'hésitez pas à avoir des échanges techniques avec nous.
Veuillez indiquer : La source est NiceRF Wireless Technology Co., Ltd., sinon une fois trouvés, les contrevenants doivent faire l'objet d'une enquête.
+86-755-23080616
sales@nicerf.com
Site Internet : https://www.nicerf.com/
Adresse : 309-314, 3/F, bâtiment A, bâtiment commercial de Hongdu, zone 43, Baoan Dist, Shenzhen, Chine
politique de confidentialité
· Politique de confidentialité
Il n'y a actuellement aucun contenu disponible
Courriel : sales@nicerf.com
Tél : +86-755-23080616