May . 2022
Avant-propos
Dans le processus de fourniture d'une assistance technique et de personnalisation RF aux clients, nous avons constaté qu'en raison des mises à niveau des exigences fonctionnelles et des mises à niveau des produits, nous rencontrons souvent des problèmes de communication entre les modules qui doivent être intégrés à différentes puces sans fil. Les diverses différences dans les paramètres et les formats de données font qu’il est difficile de savoir par où commencer.
Ce test sélectionne les modules RF front-end RF4432PRO (puce Si4432 intégrée) et RF1212 (puce SX1212 intégrée) développés indépendamment par NiceRF, et décrit le processus expérimental détaillé, l'interface matérielle et les exemples de programmes associés, dans l'espoir de résoudre le problème. entre différentes puces sans fil. Le problème de communication fournit une méthode de référence.
NiceRF est une société de technologie, de services et de vente axée sur le développement d'applications de modules RF et de capteurs. Elle a développé une variété de modules d'application et de solutions pour différentes puces RF. Les produits actuels couvrent différents niveaux de puissance tels que 20 mW, 100 mW, 500 mW, 1 W, 2 W, 3 W, 5 W ; SPI, UART (y compris TTL/RS232/RS485 et USB) et autres interfaces de communication ; 315/ 433/470/868/915 Il existe des centaines de modules dans différentes fréquences de fonctionnement telles que MHz et 2,4 GHz. Des années de précipitations et d'accumulation font que NiceRF possède une forte force de R&D et une riche expérience d'application dans les logiciels et le matériel des applications RF.
1.1 Performances et fonctionnalités de la puce


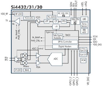
Figure 1 : Schéma fonctionnel des modules intégrés des puces Si4432 et SX1212
Le Si4432 du module RF RF4432PRO est une puce émetteur-récepteur RF haute performance développée par Silabs aux États-Unis avec une bande de fréquence de travail inférieure à 1 GHz, appartenant à sa série EzRadioPro. Il a été largement utilisé dans l'industrie, la recherche scientifique, les équipements médicaux (ISM) et de communication sans fil à courte portée (SRD) en Chine, et sa puissance de sortie peut atteindre +20 dBm, et la sensibilité de réception peut également atteindre -121. dBm.
Le SX1212 du module sans fil RF1212 est une puce sans fil à très faible consommation développée et produite par Semtech aux États-Unis. La fréquence de fonctionnement varie de 300 MHz à 510 MHz. Il a été optimisé pour avoir une très faible consommation d’énergie en réception. Le courant de réception typique est de 2,6 mA et la tension de fonctionnement est de 2,1 ~ 3,6 V, puissance de transmission maximale de +12,5 dBm.
Les paramètres spécifiques peuvent être trouvés dans les manuels des puces du Si4432 et du SX1212. Les modules RF4432PRO et RF1212 fournissent une prise en charge matérielle pour les fonctions intégrées des puces Si4432 et SX1212. Les utilisateurs peuvent directement programmer, développer et contrôler les modules conformément au manuel de la puce.
| Module RF | RF4432PRO | RF1212 |
| Gamme de fréquences (MHz) | 403, 433, 463 | 429, 433, 440 |
| Courant d'émission | 85mA à 20dBm | 25mA à 10dBm |
| Recevoir le courant (mA) | 18,5 | 3 |
| Puissance statique (uA) | <1 | <1 |
| Plage de puissance de transmission | 1~20dBm | -8,5 ~ 12,5 dBm |
| Recevez la sensibilité | -121dBm@données=1,2Kbps | -110dBm@data=1,2Kbps,fdev=30KHz |
Tableau 1 : Comparaison des paramètres RF testés du NiceRF RF4432 et du RF1212
Le matériel du système expérimental utilise les modules sans fil NiceRF RF4432PRO et RF1212 et leurs cartes de démonstration DEMO correspondantes. Les modules RF4432PRO et RF1212 contiennent des circuits d'application de puces hautes performances de qualité industrielle qui ont été rigoureusement testés. La plate-forme matérielle est complétée par la connexion des modules entre eux via des broches. Grâce au contrôle du port SPI du microcontrôleur dans la carte de démonstration DEMO, les deux modules émetteurs-récepteurs communiquent entre eux, réalisant ainsi la transmission sans fil des données.
La carte de démonstration DEMO du module sans fil (comme illustré dans la figure 2 ci-dessous) est une carte de développement développée par NiceRF en conjonction avec le module émetteur-récepteur sans fil frontal pour permettre aux clients de déboguer les programmes et de tester les distances. La carte de démonstration DEMO dispose de broches de module sans fil externes et les paramètres de réglage peuvent être enregistrés après la mise hors tension. L'utilisateur peut modifier la fréquence de fonctionnement du module, la puissance de transmission et le taux de communication ainsi que d'autres paramètres associés via les paramètres clés. La carte de démonstration DEMO dispose de 5 modes de fonctionnement, comme indiqué dans le tableau 2.
Le Tableau 3 et le Tableau 4 sont respectivement les définitions des broches du module RF1212 et du module RF4432PRO. Pour plus de détails, veuillez vous référer aux spécifications RF4432PRO et RF1212 sur le site officiel de NiceRF.

Figure 2 : Carte de démonstration NiceRF DEMO et connexion matérielle du module sans fil

Figure 3 : Interface LCD de la carte de démonstration DEMO de NiceRF
| Mode de fonctionnement | Description |
| Lancement normal (mode principal) | Le paquet de données est transmis périodiquement. Après avoir transmis avec succès un paquet de données, le voyant rouge s'allume et les données passent en mode de réception. Après avoir reçu le signal de réponse, le voyant bleu est allumé et l'écran LCD affiche le nombre de paquets de données transmis et reçus. |
| Réception normale (mode esclave) | Recevez le paquet de données, recevez la bonne lumière bleue, puis transmettez le paquet de données correctement reçu. Après une transmission réussie, le voyant rouge est allumé et l'écran LCD affiche le nombre de paquets de données reçus et transmis. |
| Lancement fréquent (test d'émission) | Le module est dans l'état de transmission normal, le voyant rouge est allumé et le nombre de paquets n'est pas affiché. |
| Réception fréquente (test de réception) | Le module est dans l'état de réception normal, et la broche correspondante émet la forme d'onde reçue en temps réel, et le nombre de paquets reçus n'est pas compté. |
| Dormir | Le module RF est en état de veille et peut tester la consommation d'énergie statique dans cet état. |
Tableau 2 : Mode de fonctionnement de la carte de démonstration DEMO de NiceRF
| Numéro de broche | Nom de la broche | Description |
| 1 | GND | Sol |
| 2 | NSS_CONFIG | Activation de la configuration SPI |
| 3 | NSS_DONNÉES | Activation des données SPI |
| 4 | MISO | Sortie de données SPI |
| 5 | MOSI | Saisie des données SPI |
| 6 | SCK | Entrée d'horloge SPI |
| 7 | CLKOUT | Sortie horloge |
| 8 | DONNÉES | Entrée et sortie de données NRZ (mode continu) |
| 9 | IRQ_0 | Sortie d'interruption |
| 10 | IRQ_1 | Sortie d'interruption |
| 11 | PLL_LOCK | Sortie de détection de verrouillage PLL |
| 12 | VCC | Alimentation positive |
| 13 | GND | Masse de l'antenne |
| 14 | FOURMI | Antenne |
Tableau 3 : Définition des broches du module RF1212 de NiceRF
| Broche NO. | Nom de la broche | Description |
| 1 | GND | Mise à la terre |
| 2 | GPIO0 | La broche de commande du commutateur de l'émetteur est connectée à l'intérieur du module |
| 3 | GPIO1 | La broche de commande du commutateur de l'émetteur est connectée à l'intérieur du module |
| 4 | GPIO2 | Connectez-vous directement à la broche GPIO2 de la puce |
| 5 | VCC | Alimentation positive 3,3V |
| 6 | ODS | Sortie numérique 0 ~ VDD V, fournit une fonction de lecture série au registre de contrôle interne. |
| 7 | IDS | Entrée de données en série. Entrée numérique 0 ~ VDD V. Cette broche est un bus de flux de données série à 4 fils. |
| 8 | SCLK | Entrée d'horloge série. Entrée numérique 0 ~ VDD V. Cette broche fournit une fonction d'horloge de données série à 4 fils. |
| 9 | nSEL | L'interface série sélectionne la broche d'entrée. Entrée numérique 0 ~ VDD V. Cette broche fournit une fonction de sélection/activation pour le bus de données série à 4 fils. Ce signal est également utilisé pour indiquer le mode de lecture/écriture en rafale. |
| 10 | nIRQ | Sortie d'interruption |
| 11 | SDN | Broche d'activation de la puce. Entrée numérique 0 ~ VDD V. SDN=0 dans tous les modes sauf le mode arrêt. Lorsque SDN=1, la puce sera complètement arrêtée et le contenu du registre sera perdu. |
| 12 | GND | Mise à la terre |
| 13 | GND | Mise à la terre |
| 14 | FOURMI | Connectez-vous avec une antenne coaxiale de 50 ohms |
Tableau 4 : Définition des broches du module RF4432PRO de NiceRF
La transmission et la réception de signaux sans fil sont le processus de modulation et de démodulation des signaux. Que des modules sans fil identiques ou différents communiquent, la différence dans les paramètres de modulation tels que le format de modulation, le taux et la fréquence de modulation, le décalage de fréquence et la bande passante de réception des parties émettrices et réceptrices entraînera l'incapacité de communiquer entre les modules sans fil.
3.1 Synchronisation du contrôle du bus SPI
La communication entre les modules RF4432PRO et RF1212 et le microcontrôleur est que le module RF transmet des signaux sans fil en fonction des commandes de contrôle et des données écrites par le microcontrôleur via le bus SPI, et transmet les données reçues et ses propres informations associées au microcontrôleur via le Bus SPI. Le timing SPI du Si4432 et du SX1212 est légèrement différent.

Figure 4 : Synchronisation d'écriture SPI de la puce Si4432

Figure 5 : synchronisation d'écriture SPI de la puce SX1212
3.2 Mode Test
Les cartes de démonstration DEMO des modules sans fil RF4432PRO et RF1212 de NiceRF disposent de deux modes de test : toujours activé et toujours désactivé, qui sont pratiques pour le débogage des programmes. En mode test, la puce SX1212 fonctionne en mode continu et le Si4432 fonctionne en modes écriture Burst et lecture Burst. Le point commun des modules RF4432PRO et RF1212 en mode test de la carte de démonstration DEMO est que les données sont transmises en continu et que la forme d'onde reçue en temps réel peut être vue sur la broche correspondante.

Figure 6 : Mode d'écriture en rafale du Si4432

Figure 7 : Mode continu du SX1212
3.3 Mode normal
Les modes émetteur-récepteur normaux des cartes de démonstration DEMO des modules sans fil NiceRF RF4432PRO et RF1212 fonctionnent respectivement en mode PH+FIFO du Si4432 et en mode Paquet du SX1212.
Le Si4432 et le SX1212 sont tous deux configurés avec une FIFO de 64 octets et les fonctions de traitement des paquets de données correspondantes. Dans ce mode, la puce ajoute et détecte automatiquement le préambule, le mot de synchronisation, la somme de contrôle, etc., et indique l'état de la communication par interruption, ce qui facilite grandement le processus de communication. Pour une communication en mode normal, il faut s'assurer que les paramètres de format des paquets de données des deux modules de communication sont exactement les mêmes, sinon la puce ne pourra pas générer d'interruption.

Figure 8 : Format du paquet Si4432

Figure 9 : Format de paquet SX1212
3.4 Résumé
Le tableau 5 compare le format de paquet des puces Si4432 et SX1212 . On peut constater que le paquet de données du Si4432 comporte deux autres parties, l'en-tête et la longueur des données, et le reste est fondamentalement le même. Afin de garantir que les deux puces peuvent communiquer, définissez le format du paquet de données de test comme indiqué dans le tableau 6.

Tableau 5 : Comparaison des formats de paquets Si4432 et SX1212

Tableau 6 : Format des paquets de test
Les paramètres de fréquence radio utilisés dans la communication du système sont définis comme suit : fréquence de l'émetteur-récepteur 423,0 MHz, décalage de fréquence 50 KHz et débit RF : 1,2 Kbps. Le format des données envoyées est indiqué dans le tableau 6 ci-dessus.
Pour garantir que les modules sans fil si4432 et sx1212 peuvent fonctionner correctement et fournir des formes d'onde de référence, activez d'abord les mêmes modules pour communiquer en mode normal de la carte de démonstration DEMO dans ce paramètre.
4.1 Comparaison des formes d'onde de réception et de transmission
Le mode paquet de données n'est pas propice au débogage du programme car la puce traite automatiquement les données et affiche uniquement le résultat. Par conséquent, nous utilisons le mode de test de la carte de démonstration Shenzhen Siwei Wireless Technology Co., Ltd. et des broches externes pour juger de la qualité de la communication en observant de manière synchrone la manière la plus intuitive d'envoyer et de recevoir des formes d'onde.
Testez d'abord la communication transmise par le module RF1212 et reçue par le module RF4432PRO.
Réglez le GPIO2 du RF4432PRO comme sortie de fonction de sortie de données Rx et réglez le mode émetteur-récepteur RF1212 sur le mode continu, afin que les données reçues et transmises puissent être sorties des broches GPIO2 et DATA en temps réel. Utilisez un analyseur logique pour observer simultanément les formes d'onde transmises et reçues par les modules RF1212 et RF4432PRO et effectuer les comparaisons correspondantes. Comme le montre la figure 10, on peut constater qu'il existe une forme d'onde de réception correspondante pour chaque forme d'onde d'émission, ce qui prouve que le RF4432PRO reçoit les données transmises par le RF1212.

Figure 10 : Formes d'onde de test de transmission RF1212 et de réception RF4432 à 423 MHz, 1,2 Kbit/s, décalage de fréquence de 50 KHz
Effectuez un zoom avant sur la forme d'onde et observez chaque forme d'onde de réception, comme le montre la figure 11, et constatez que chaque forme d'onde de réception du RF4432PRO présente une déformation différente par rapport à la forme d'onde d'envoi du RF1212. Le jugement peut être que la différence de la puce peut entraîner un signal de démodulation erroné sous certains paramètres de radiofréquence.

Figure 11 : Deux ensembles de formes d'onde envoyées par RF1212 et reçues par RF4432 à 423 MHz, 1,2 Kbps, décalage de fréquence de 50 KHz
Tout d'abord, réglez le débit en bauds des modules RF4432PRO et RF1212 à 2,4 kbps. Il s'avère que les formes d'onde d'envoi du RF1212 et de réception du RF4432 sont relativement cohérentes, partiellement déformées, comme le montre la figure 12.

Figure 12 : Formes d'onde de transmission RF1212 et de réception RF4432 à 423 MHz, 2,4 Kbps et 50 KHz de décalage de fréquence
Afin d'améliorer la précision de la forme d'onde, le débit en bauds des modules RF4432PRO et RF1212 est augmenté à 9,6 kbps, et il s'avère que les formes d'onde d'envoi RF1212 et de réception RF4432 ont été cohérentes.

Figure 13 : Formes d'onde de transmission RF1212 et de réception RF4432 à un décalage de fréquence de 423 MHz, 9,6 Kbps et 50 KHz.
Si les débits en bauds des modules RF4432PRO et RF1212 ne peuvent pas être ajustés pour obtenir des formes d'onde cohérentes, vous pouvez essayer d'ajuster les paramètres RF tels que la fréquence de modulation, le décalage de fréquence et la bande passante des modules RF4432PRO et RF1212. Par exemple, si le décalage de fréquence des modules RF4432PRO et RF1212 est ajusté à 20 kHz, des formes d'onde d'émission et de réception cohérentes peuvent être obtenues même à un débit en bauds de 1,2 k.

Figure 14 Formes d'onde de transmission RF1212 et de réception RF4432 à 423 MHz, 1,2 Kbps, décalage de fréquence de 20 KHz
4.2 Réception en mode paquet
Le module RF4432PRO reçoit la même forme d'onde que celle envoyée par le module RF1212, alors conservez les paramètres RF et réglez le mode de fonctionnement de la carte de démonstration NiceRF DEMO en mode normal pour voir si la puce peut être interrompue. Comme le montre la figure 15, le Si4432 génère une interruption de réception. Continuez à envoyer pendant un certain temps et constatez qu'il n'y a pas de perte de paquets.

Figure 15 : Décalage de fréquence 423 MHz 9,6 Kbps 50 KHz Mode continu RF1212 et réception en mode paquet RF4432
S'il n'y a pas d'interruption de réception, vous pouvez découvrir le problème en comparant la différence entre les formes d'onde de réception du module de réception et le même module qui peut communiquer normalement. Comme le montre la figure 16, en comparant la forme d'onde reçue transmise par RF1212 et la forme d'onde transmise par RF4432PRO, il s'avère que la forme d'onde de transmission RF1212 est interrompue et a manqué une section, et il est jugé que le mot de synchronisation du paquet de données est erroné.

Figure 16 : 423 MHz 9,6 Kbps 50 KHz décalage de fréquence RF1212 et formes d'onde de transmission RF4432
4.3 Organigramme global

Figure 17 : Organigramme de débogage des communications RF4432PRO et RF1212
5.1 Résultats matériels
Le RF1212 fonctionne en mode de transmission normal de la carte de démonstration NiceRF DEMO, et le RF4432PRO fonctionne en mode de réception normal de la carte de démonstration DEMO. Le nombre de paquets envoyés et reçus est affiché à l'écran. Comme le montre la figure 18, il n'y a aucune perte de paquet après un envoi pendant un certain temps.

Figure 18 : Schéma physique de la communication RF4432PRO (à gauche) et RF1212
5.2 Résultats du logiciel
Sur la figure 19, 4432_IRQ est la broche d'interruption du RF4432PRO, et RF1212_IRQ0 et RF1212IRQ1 sont respectivement les broches d'interruption de réception et de transmission du RF1212. On peut voir que chaque interruption de transmission correspond à une interruption de réception.

Figure 19 : Interruption de communication RF4432PRO et RF1212
La clé de l'expérience réside dans la partie configuration initiale des modules RF4432PRO et RF1212, et le reste est cohérent avec les procédures de communication entre les mêmes modules. La communication entre les modules RF4432PRO et RF1212 peut être réalisée en remplaçant directement les codes d'initialisation des modules RF4432PRO et RF1212 testables suivants dans le programme de communication. Le programme de test complet utilisé dans cette expérience peut être trouvé dans le RF4432 DEMO CODE et le RF1212 DEMO CODE sur le site officiel de NiceRF.
6.1 Exemple d'initialisation du RF4432PRO
vide SI4432_init (vide)
{
ItStatus1 = spi_rw(0x03,0x00); // clr Facteur d'interruption RF
ItStatus2 = spi_rw(0x04,0x00);
SpiWriteCfg(0x06|0x80, 0x00); // Définir l'interruption RF
SpiWriteCfg(0x07|0x80, SI4432_PWRSTATE_READY); // entre en mode prêt
SpiWriteCfg(0x09|0x80, 0x7f); // plafond de charge = 12P
SpiWriteCfg(0x0a|0x80, 0x05); // sortie clk définie
SpiWriteCfg(0x0b|0x80,0x1f);
SpiWriteCfg(0x0c|0x80,0x1f);
SpiWriteCfg(0x0d|0x80, 0xf4); // GPIO 2 = données de réception
SpiWriteCfg(0x70|0x80, 0x2c);
SpiWriteCfg(0x1d|0x80, 0x40); // active l'afc
// Paramètre 9,6K bps
SpiWriteCfg(0x1c|0x80,0xab); // d'après Excel de Silabs
SpiWriteCfg(0x20|0x80,0x39);
SpiWriteCfg(0x21|0x80,0x20);
SpiWriteCfg(0x22|0x80,0x68);
SpiWriteCfg(0x23|0x80,0xdc);
SpiWriteCfg(0x24|0x80,0x00);
SpiWriteCfg(0x25|0x80,0x2a);
SpiWriteCfg(0x2a|0x80,0x24);
SpiWriteCfg(0x72|0x80,0x50);
SpiWriteCfg(0x6e|0x80,0x4e);
SpiWriteCfg(0x6f|0x80,0xa5);
//Fin du paramètre 9,6K bps
SpiWriteCfg(0x30|0x80, 0x88); // active PH+ FIFO, désactive crc, msb
SpiWriteCfg(0x32|0x80,0x00);
SpiWriteCfg(0x33|0x80,0x02); // la longueur du paquet n'est pas incluse
SpiWriteCfg(0x34|0x80, 16); // préambule = 16 quartets
SpiWriteCfg(0x35|0x80, 0x2a); // détection du préambule = 2a bit
SpiWriteCfg(0x36|0x80,'s'); // mot de synchronisation = 0x7377
SpiWriteCfg(0x37|0x80,'w');
SpiWriteCfg(0x3e|0x80, 10); // longueur de la charge utile = 10
SpiWriteCfg(0x43|0x80,0x00);
SpiWriteCfg(0x44|0x80,0x00);
SpiWriteCfg(0x45|0x80,0x00);
SpiWriteCfg(0x46|0x80,0x00); // désactive l'en-tête 3 2 1 0
SpiWriteCfg(0x6d|0x80, 0x07); // puissance de sortie maximale
SpiWriteCfg(0x79|0x80, 0x0); // sans saut
SpiWriteCfg(0x7a|0x80, 0x0); // sans saut
SpiWriteCfg(0x71|0x80, 0x22); // FiFo, FSK, pas besoin de clk
SpiWriteCfg(0x72|0x80, 0x50); // déviation : 50 KHz
SpiWriteCfg(0x73|0x80, 0x0); // pas de décalage de fréquence
SpiWriteCfg(0x74|0x80, 0x0); // pas de décalage de fréquence
SpiWriteCfg(0x75|0x80,0x52);
SpiWriteCfg(0x76|0x80,0x4b);
SpiWriteCfg(0x77|0x80,0x00); // fréquence : 423 MHz
}
6.2 Exemple d'initialisation du RF1212
vide sx1212_init (vide)
{
SPI_nss_cfg=1 ; //initialisation du spi
SPI_nss_dat=1 ;
SPI_mosi=1 ;
SPI_sck=0 ;
DéfinirRFMode(RF_SLEEP);
SpiWriteCfg(((0x00<<1)&0x3E),0x0c); // Bande de fréquence entre 400MHz et 440MHz
SpiWriteCfg(((0x01<<1)&0x3E),0xa0); // FSK, mode paquet
SpiWriteCfg(((0x02<<1)&0x3E),0x07); // Fdev=50kHz
SpiWriteCfg(((0x03<<1)&0x3E),0x16);
SpiWriteCfg(((0x04<<1)&0x3E),0x1c); // débit binaire = 9,6 kbps
SpiWriteCfg(((0x06<<1)&0x3E),0x77); // Fréquence = 423,0 MHz
SpiWriteCfg(((0x07<<1)&0x3E),0x2e);
SpiWriteCfg(((0x08<<1)&0x3E),0x00);
SpiWriteCfg(((0x0c<<1)&0x3E),0xc5); // Taille FIFO = 64 octets
SpiWriteCfg(((0x10<<1)&0x3E),0xa3); // Filtre passif RX=378kHZ
SpiWriteCfg(((0x11<<1)&0x3E),0x38); // Fréquence centrale du filtre polyphasé=100kHz
SpiWriteCfg(((0x12<<1)&0x3E),0x28); // SyncByte = 2 octets
SpiWriteCfg(((0x16<<1)&0x3E),0x73); // SyncByte1= 0x73
SpiWriteCfg(((0x17<<1)&0x3E),0x77); // SyncByte2 = 0x77
SpiWriteCfg(((0x1a<<1)&0x3E),0x72); // Fréquence de coupure du filtre d'interpolation Tx = 200 kHz, puissance TX = 9,5 dBm
SpiWriteCfg(((0x1b<<1)&0x3E),0x00); // désactive la sortie CLK
SpiWriteCfg(((0x1c<<1)&0x3E),0x0b); // taille du paquet = 11 octets
SpiWriteCfg(((0x1e<<1)&0x3E),0x60); // pas de CRC
}
Cet article décrit le processus de mise en œuvre détaillé, l'interface matérielle et l'exemple de programme de communication entre les modules sans fil RF4432PRO et RF1212 de NiceRF, qui sont vérifiés par des expériences. La méthode de base pour réaliser la communication consiste à définir les mêmes paramètres RF et format de données sur RF4432PRO et RF1212. Cette méthode peut également être étendue à la communication d’autres modules sans fil et puces sans fil différents. Si vous rencontrez des phénomènes expérimentaux différents du texte, si vous avez des questions sur le processus expérimental ou d'autres idées, n'hésitez pas à communiquer avec nous.
+86-755-23080616
sales@nicerf.com
Site Internet : https://www.nicerf.com/
Adresse : 309-314, 3/F, bâtiment A, bâtiment commercial de Hongdu, zone 43, Baoan Dist, Shenzhen, Chine
politique de confidentialité
· Politique de confidentialité
Il n'y a actuellement aucun contenu disponible
Courriel : sales@nicerf.com
Tél : +86-755-23080616