Contactus
| Paramètres | Condition | Min | Typique | Max | Unité |
| Alimentation électrique | 3.3 | 4.0 | 5 | V | |
| Température de fonctionnement | -20 | 25 | 60 | °C | |
| Gamme de fréquences | @UHF | 400 | 470 | MHz | |
| @VHF | 134 | 174 | MHz | ||
| @350 | 320 | 400 | MHz | ||
| Débit en bauds série | 57600 | bps | |||
| Consommation actuelle | |||||
| Courant de sommeil | @CS a été tiré vers le bas pendant 3 secondes | < 1 | mA | ||
| Courant RX | < 165 | mA | |||
| Courant TX (haute puissance) - DMR | @VCC=4,2V,2w | 400-1200 | mA | ||
| Courant TX (faible puissance) - DMR | @VCC=4,2V,0,5w | 200-600 | mA | ||
| Courant TX (haute puissance) - Analogique | @VCC=4,2V,2w | < 1300 | mA | ||
| Courant TX (faible puissance) - Analogique | @VCC=4,2V,0,5w | < 700 | mA | ||
| Paramètres Rx analogiques | |||||
| Sensibilité Rx (analogique) | @12dB SINAD | -120 | dBm | ||
| Numéro de série | @1,5K d'écart | 40 | dB | ||
| Sélectivité des canaux adjacents | Décalage de 12,5 kHz | 62 | dB | ||
| Rejet d'intermodulation | Décalage de 12,5 kHz | 63 | dB | ||
| Blocage de l'immunité | Intervalle de fréquence d'interférence > 1M | 88 | dB | ||
| amplitude audio (sortie ligne) | F0=1KHz | 0,2 | 130 | 460 | mV |
| impédance de sortie audio (SPK) | 8 | Ohm | |||
| Distorsion audio | F0=1KHz | 5 | % | ||
| Réponse audio | 300 Hz | 8 | dB | ||
| 500 Hz | 6 | ||||
| 1 kHz | 0 | ||||
| 2 kHz | -6 | ||||
| 3 kHz | -12 | ||||
| Paramètres DMR Rx | |||||
| BER (mode DMR) | à -117 dBm | 4 | % | ||
| Sélectivité des canaux adjacents (ACS) | Décalage : +12,5 kHz | 60 | dB | ||
| Décalage : -12,5 kHz | |||||
| Rejet d'intermodulation | Décalage : +50/100 kHz | 63 | dB | ||
| Décalage : -50/100 kHz | |||||
| Blocage de l'immunité | Décalage : +/- 1 MHz | 87 | dB | ||
| Décalage : +/- 5 MHz | |||||
| Paramètres de transmission analogique | |||||
| Écart de fréquence max. | Écart de 12,5 kHz (N) | 2.2 | 2,5 | kHz | |
| Écart de 25 kHz (W) | 4,5 | 5 | kHz | ||
| Sensibilité | écart : 1,5 kHz/2,5 kHz | 4 | 7 | 10 | mV |
| Distorsion audio | écart : 1,5 kHz/2,5 kHz | 1 | 5 | % | |
| Caractéristique de modulation | 300 Hz | -13 | -11 | -9 | dB |
| 500 Hz | -9 | -6 | -5 | dB | |
| 1 kHz | -3 | 0 | 1 | dB | |
| 2 kHz | 3 | 6 | 7 | dB | |
| 3 kHz | 3 | 7 | 11 | dB | |
| Écart CTCSS | 350 | 400 | 600 | Hz | |
| puissance de sortie du canal adjacent | Décalage de 12,5 kHz | -63 | -65 | dBc | |
| SNA | 1,5 kHz/2,5 kHz | 38 | 40 | 50 | dB |
| Paramètres DMR Tx | |||||
| erreur de fréquence | 0,5 | ppm | |||
| 4FSK Tx BER | ≤1×10-4 | ||||
| puissance de sortie du canal adjacent | +/-12,5 kHz | ≤-55 | dB | ||
| puissance de sortie du canal adjacent suivant | +/-25 kHz | ≤-65 | dB | ||
| Taper | Talkie-walkie DMR |
| Puissance de sortie | 2W |
Module talkie-walkie DMR
Système d'interphone invisible
Système de sécurité du bâtiment
Système de surveillance audio



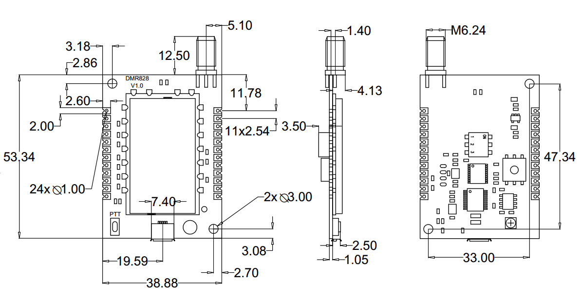
| Broche N° | Nom de la broche | E/S | Description |
| 1 | VCC | VCC ( 3 - 5 V ) | |
| 2,4 | GND | Sol | |
| 3 | CS | je | 0 : veille ; 1 : fonctionnement (niveau élevé ou laisser ouvert) |
| 5 | PTT | je | 0 : TX, 1 : RX |
| 6 | SORTIE_LIGNE | O | Sortie audio sans amplification |
| 7 | 8 | je | Sélection du canal de fréquence (16 canaux) |
| 8 : le bit maximum, | |||
| 4 : le 3ème bit, | |||
| 2 : le 2ème bit ; | |||
| 1 : le moins du monde par exemple : | |||
| Codage 8421 : | |||
| 0000 : canal 0, | |||
| 0001 : canal 1 | |||
| 0010 : canal 2 | |||
| 8 | 4 | 0011 : canal 3 | |
| 9 | 2 | … | |
| 10 | 1 | 1111 : canal 15 | |
| 11 | SPKN | Sortie audio, connexion au haut-parleur 8Ω 2W | |
| 12 | SPKP | ||
| 13,15,17,24 | GND | Sol | |
| 14 | PARLER | O | Indicateur de signal valide : 1 : signal valide, 0 : aucun signal valide reçu. Cette broche peut être utilisée pour piloter un amplificateur vocal externe. 1 : activé, 0 : désactivé. |
| 16 | MIC_IN | Microphone ou entrée ligne | |
| 18 | UART-TX | O | TXD du module et connexion au RXD externe |
| 19 | UART-RX | je | RXD du module et connexion au TXD externe |
| 20,21 | Caroline du Nord | ||
| 22 | HST_TXD | Réservé | Port série pour envoyer la broche de données (pour la mise à niveau du programme) |
| 23 | HST_TXD | Réservé | Broche de réception de données du port série (pour la mise à niveau du programme) |

politique de confidentialité
· Politique de confidentialité
Il n'y a actuellement aucun contenu disponible
Courriel : sales@nicerf.com
Tél : +86-755-23080616