Taper: Audio sans fil
Attestation: Autres
Puissance de sortie: 160 mW
Size:48,1*33,9
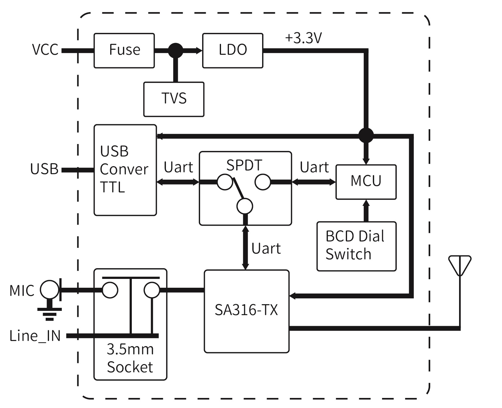
NiceRF a lancé le nouveau module audio sans fil SA326, à faible latence, longue distance, à taux d'échantillonnage élevé et haute fidélité. La série SA326 comprend le module émetteur SA326-TX et le module récepteur SA326-RX. Ce produit est une carte d'application pour les modules SA316-TX et SA316-RX. Il est opérationnel dès la mise sous tension. La fréquence du module peut également être réglée directement via un logiciel PC. La taille du son et d'autres paramètres simplifient considérablement le développement. Ce produit est largement utilisé dans les applications exigeant une qualité sonore relativement élevée.
Paramètre | Conditions de test | Min . | Typ . | Max . | Unité |
Plage de tension de fonctionnement | 3.3 | 4.2 | 5 | V | |
Plage de température de fonctionnement | -20 | 25 | 60 | °C | |
Plage de fréquences de fonctionnement | @UHF | 500 | 980 | MHz | |
@VHF | 160 | 270 | MHz | ||
Délai de transmission et de réception audio | 4 | MS | |||
Débit en bauds du port série | 9600 | bps | |||
Consommation actuelle | |||||
Courant de veille ( SA326-RX) | < 45 | uA | |||
Courant de veille ( SA326F30-TX ) | < 20 | uA | |||
Courant de réception ( SA326-RX) | @VCC= 4,2 V | < 1 40 | mA | ||
Courant de transmission ( SA326-TX ) | @ Ne transmet pas | < 75 | mA | ||
@ Pendant la transmission | <1 20 | mA | |||
Courant d'émission ( SA326F30-TX ) | @Ne transmet pas, 5 v | < 75 | mA | ||
@ Pendant la transmission , 5v 30dBm | < 700 | mA | |||
Transmettre le paramètre | |||||
Puissance de transmission | @VCC= 4,2 V | 9 | 1 0 | 11 | dBm |
@VCC= 5,0 V | 29 | 30 | 31 | dBm | |
plage de puissance d'émission | @VCC= 4,2 V | 0 | 10 | dBm | |
@VCC= 5,0 V | 20 | 30 | dBm | ||
Bande passante d'émission ( BW) | 300 | kHz | |||
Rapport de puissance des canaux adjacents ( ACPR ) | à 600 kHz | -6 0 | dB c | ||
Tension d'entrée maximale du microphone | 0,3 | 1. 5 | Valeurs efficaces | ||
Plage de réponse en fréquence audio | 30 | 20 000 | Hz | ||
Recevoir les paramètres | |||||
Sensibilité de réception | - 96 | dBm | |||
Amplitude de sortie audio (différentielle) | 400 | mV efficace | |||
Résistance de la sortie audio | 600 | Ohm | |||
Résistance de pilotage LOUT+, ROUT+ | 16-32 | Ohm | |||
Résistance de commande SPKP, SPKN | 4-8 | Ohm | |||
Rapport signal sur bruit (SNR) | @1KHz , | 86 | dB | ||
Distorsion harmonique totale (THD) | @48K Taux d'échantillonnage e | 0,07 | % | ||
| Taper | Audio sans fil |
| Puissance de sortie | 10 mW |
SA326-TX

SA326F30-RX

SA326-TX

| Broche N° | Nom de la broche | E/S | Niveau standard | Description |
| 1 | GND | 0 | Connectez le pôle négatif de l'alimentation | |
| 2 | 1 | je | 0-3,3 V | Fréquence 16 canaux encodage 8421, le premier chiffre, sortie par défaut « 1 » |
| 3 | 2 | je | 0-3,3 V | Codage de fréquence 16 canaux 8421, deuxième bit, sortie par défaut « 1 » |
| 4 | 4 | je | 0-3,3 V | Codage de fréquence 16 canaux 8421, le 4ème bit, sortie par défaut « 1 » |
| 5 | 8 | je | 0-3,3 V | Fréquence 16 canaux encodage 8421, le 8ème bit, sortie par défaut « 1 » |
| 6 | CS | E/S | 0-3,3 V | Connecté en interne à l'EN du LDO, abaisse la dormance, pull-up interne, sortie par défaut « 1 » |
| 7 | GND | 0 | Connectez le pôle négatif de l'alimentation | |
| 8 | VCC | 3,3-6 V | Pôle positif de l'alimentation externe. (Valeur typique : 4 V) | |
| 9 | GPIO0 | E/S | 0-3,3 V | Connecté en interne au GPIO0 du SA316-TX, lors de l'utilisation du mode I2S, il peut être configuré comme LRCK |
| 10 | GPIO1 | E/S | 0-3,3 V | Connecté en interne au GPIO1 du SA316-TX, lors de l'utilisation du mode I2S, il peut être configuré comme SCK |
| 11 | GPIO2 | E/S | 0-3,3 V | Connecté en interne au GPIO2 du SA316-TX, lors de l'utilisation du mode I2S, il peut être configuré comme MCLK |
| 12 | GPIO3 | E/S | 0-3,3 V | Connectez-vous au GPIO3 du SA316-TX, il peut être configuré comme SDIN lors de l'utilisation du mode I2S |
| 13 | GPIO4 | Je/0 | 0-3,3 V | GPIO4 avec puce audio interne |
| 14,15 | GND | 0 | Connectez le pôle négatif de l'alimentation | |
| 16 | MIC_P | je | Borne positive d'entrée du microphone (le meilleur signal est inférieur à 300 mVrms) |
SA326-RX

| Broche N° | Nom de la broche | E/S | Niveau standard | Description |
| 1 | 1 | je | 0-3,3 V | Fréquence 16 canaux encodage 8421, le premier chiffre, sortie par défaut « 1 » |
| 2 | 2 | je | 0-3,3 V | Codage de fréquence 16 canaux 8421, deuxième bit, sortie par défaut « 1 » |
| 3 | 4 | je | 0-3,3 V | Codage de fréquence 16 canaux 8421, le 4ème bit, sortie par défaut « 1 » |
| 4 | 8 | je | 0-3,3 V | Fréquence 16 canaux encodage 8421, le 8ème bit, sortie par défaut « 1 » |
| 5 | GPIO4 | E/S | 0-3,3 V | Connectez-vous au GPIO4 du SA316-RX |
| 6 | GPIO3 | E/S | 0-3,3 V | Connecté en interne au GPIO3 du SA316-RX, il peut être configuré comme MCLK lors de l'utilisation du mode I2S |
| 7 | GPIO2 | E/S | 0-3,3 V | Connecté en interne au GPIO2 du SA316-RX, lors de l'utilisation du mode I2S, il peut être configuré comme SDIO |
| 8 | CS | E/S | 0-3,3 V | Connecté en interne à l'EN du LDO, abaisse la dormance, pull-up interne, sortie par défaut « 1 » |
| 9 | GND | je | 0 | Connectez le pôle négatif de l'alimentation |
| 10 | VCC | je | 3,3-6 V | Pôle positif de l'alimentation externe. (Valeur typique : 4 V) |
| 11 | GPIO1 | E/S | 0-3,3 V | Connecté en interne au GPIO1 du SA316-RX, lors de l'utilisation du mode I2S, il peut être configuré comme SCK |
| 12 | GPIO0 | E/S | 0-3,3 V | Connecté en interne au GPIO0 du SA316-RX, lors de l'utilisation du mode I2S, il peut être configuré comme LRCK |
| 13 | GND | je | 0 | Connectez le pôle négatif de l'alimentation |
| 14 | LOUL LOUT+ | O | Connectez-vous à LOUT+ du SA316-RX, qui peut piloter directement les écouteurs | |
| 15 | GND | je | 0 | Connectez le pôle négatif de l'alimentation |
| 16 | ROUT+ | O | Connectez-vous à ROUT+ du SA316-RX, qui peut piloter directement les écouteurs | |
| 17 | GND | je | 0 | Connectez le pôle négatif de l'alimentation |
| 18 | VOL-ADJ | je | 3.33. 3,3 V | Broche de réglage du volume, le module a été connecté à un potentiomètre réglable de 50 000 ohms et un potentiomètre externe peut être connecté |
| 19 | SPKN | O | Broche de sortie de l'amplificateur de puissance, haut-parleur externe 4 ohms ou 8 ohms 2 W | |
| 20 | SPKP | O | Broche de sortie de l'amplificateur de puissance, haut-parleur externe 4 ohms ou 8 ohms 2 W |
SA326-TX

SA326-RX

SA326F30-TX

politique de confidentialité
· Politique de confidentialité
Il n'y a actuellement aucun contenu disponible
Courriel : sales@nicerf.com
Tél : +86-755-23080616