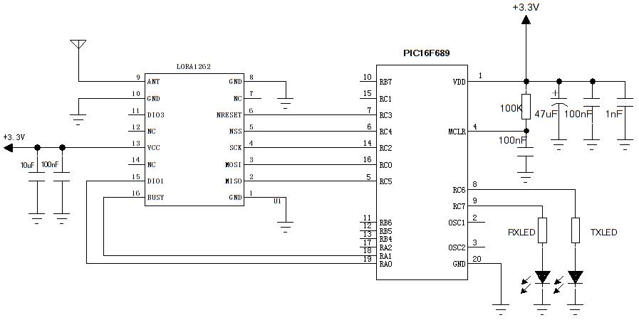
LoRa1276-C1-915 : Module LoRa SX1276 915 MHz certifié FCC avec protection ESD
Type: (G)FSK Front-End Modules,LoRa Front-End Modules
Certification: FCC ID,IC ID
Modulation: LoRa
Chip: SX1276
Interface: SPI
Output Power: 100mW
Frequency: 915MHz
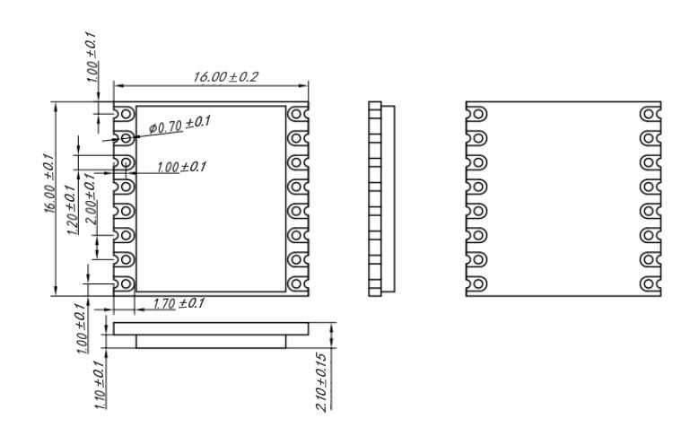
Size:16*16

French







