LoRa1276-915 : Module frontal LoRa SX1276 915 MHz certifié FCC
Type: LoRa Front-End Modules
Certification: FCC ID
Modulation: LoRa
Chip: SX1276
Interface: SPI
Output Power: 100mW
Frequency: 915MHz
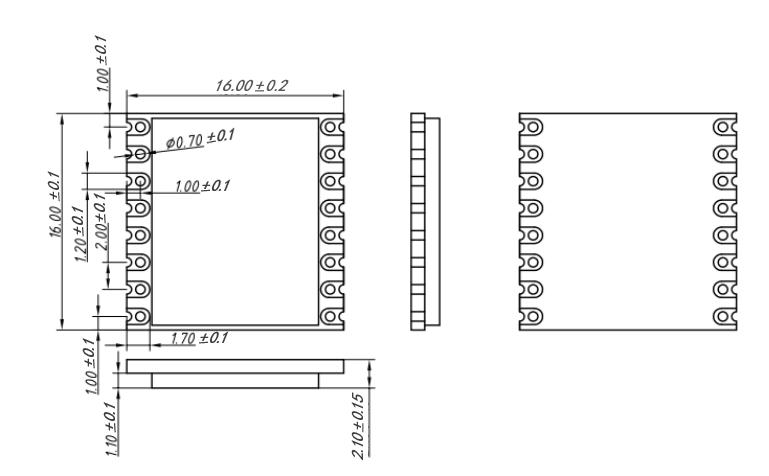
Size:17,3*17
| Paramètre | Min | Typique | Max. | Unité | Condition |
| État de fonctionnement | |||||
| Tension de fonctionnement | 1.8 | 3.3 | 3.7 | V | |
| Plage de température | -40 | 85 | °C | ||
| Consommation actuelle | |||||
| courant RX | 10.8 | mA | |||
| courant TX | 120 | mA | à 20 dBm | ||
| Courant de sommeil | 1 | uA | |||
| Paramètre RF | |||||
| Gamme de fréquences | 900 | 915 | 940 | MHz | à 915 MHz |
| Débit de données | 1.2 | 300 | Kbps | FSK | |
| 0,018 | 37,5 | Kbps | LoRa | ||
| Puissance de sortie | -1 | 20 | dBm | ||
| Sensibilité de réception | -123 | dBm | Données @FSK = 1,2 kbps, Fdev = 10 kHz | ||
| -139 | dBm | @LoRa BW=125KHz_SF = 12_CR=4/5 | |||
| Interface | SPI |
| Ébrécher | SX1276 |
| Fréquence | 915 MHz |
| Modulation | LoRa |
| Puissance de sortie | 100 mW |
| Certification | ID FCC, ID IC |



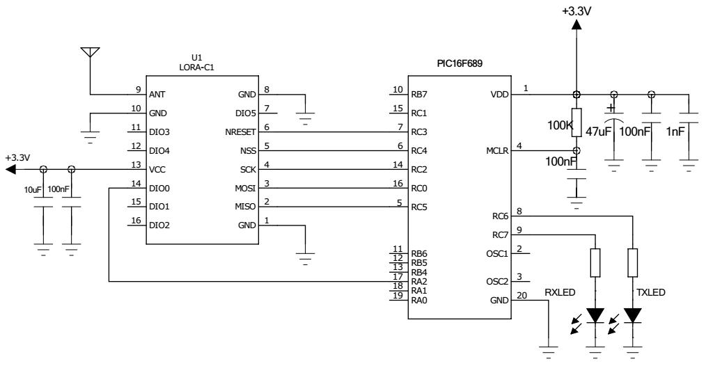
| Broche N° | Nom de la broche | Description |
| 1 | GND | terre d'alimentation |
| 2 | MISO | Sortie SPI pour les données SPI |
| 3 | MOSI | Entrée SPI pour les données SPI |
| 4 | SCK | Horloge série pour interface SPI |
| 5 | NSS | Activation SPI |
| 6 | NRESET | Réinitialiser l'entrée |
| 7 | DIO5 | E/S numériques, personnalisables |
| 8 | GND | terre d'alimentation |
| 9 | FOURMI | Connectez-vous avec une antenne coaxiale de 50 ohms |
| 10 | GND | terre d'alimentation |
| 11 | DIO3 | E/S numériques, personnalisables |
| 12 | DIO4 | E/S numériques, personnalisables |
| 13 | VCC | Alimentation connectée (par défaut 3,3 V) |
| 14 | DIO0 | E/S numériques, personnalisables |
| 15 | DIO1 | E/S numériques, personnalisables |
| 16 | DIO2 | E/S numériques, personnalisables |

politique de confidentialité
· Politique de confidentialité
Il n'y a actuellement aucun contenu disponible
Courriel : sales@nicerf.com
Tél : +86-755-23080616