zd1PRODUITSMODULES LORA ET LORAWAN (SPI) LORA1276-915 : MODULE FRONTAL LORA SX1276 915...
LoRa1276-915 : Module frontal LoRa SX1276 915 MHz certifié FCC
LoRa1276-915 : Module frontal LoRa SX1276 915 MHz certifié FCC
LoRa1276-915 : Module frontal LoRa SX1276 915 MHz certifié FCC
LoRa1276-915 : Module frontal LoRa SX1276 915 MHz certifié FCC
LoRa1276-915 : Module frontal LoRa SX1276 915 MHz certifié FCC
LoRa1276-915 : Module frontal LoRa SX1276 915 MHz certifié FCC
LoRa1276-915 : Module frontal LoRa SX1276 915 MHz certifié FCC
LoRa1276-915 : Module frontal LoRa SX1276 915 MHz certifié FCC
LoRa1276-915 : Module frontal LoRa SX1276 915 MHz certifié FCC
LoRa1276-915 : Module frontal LoRa SX1276 915 MHz certifié FCC
LoRa1276-915 : Module frontal LoRa SX1276 915 MHz certifié FCC
LoRa1276-915 : Module frontal LoRa SX1276 915 MHz certifié FCC

LoRa1276-915 : Module frontal LoRa SX1276 915 MHz certifié FCC

  • Le module LoRa LoRa1276 intègre la puce d'émission-réception RF Semtech SX1276, qui adopte la technique de modulation à étalement de spectre LoRa à sauts de fréquence. Sa distance de communication et sa sensibilité de réception sont bien supérieures à celles des modulations FSK et GFSK actuelles. Les signaux multiples ne s'influencent pas mutuellement, même dans des environnements à fréquences élevées ; il offre d'excellentes performances anti-interférences. Le commutateur d'antenne du module est intégré et contrôlé par la puce. Sa taille compacte lui permet d'atteindre une puissance de sortie de 100 mW. Il est largement utilisé pour la lecture de compteurs sans fil, le contrôle industriel à distance et d'autres secteurs.
  • LoRa1276 est conforme aux normes de production et de test sans plomb et répond aux normes RoHS et REACH.
  • LoRa1276-915 a obtenu la certification FCC ID.
Paramètre Min. Typique  Max. Unité Condition
État de fonctionnement
Tension de fonctionnement 1.8 3.3 3.7 V  
Plage de température -40   85 °C  
Consommation actuelle
courant RX   10.8   mA  
courant TX   120   mA à 20 dBm
Courant de sommeil   1   uA  
Paramètre RF
Gamme de fréquences 900 915 940 MHz à 915 MHz
Débit de données 1.2   300 Kbps FSK
0,018   37,5 Kbps Lora
Puissance de sortie -1   20 dBm  
Sensibilité de réception   -123   dBm Données @FSK = 1,2 kbps, Fdev = 10 kHz
  -139   dBm @Lora BW=125KHz_SF = 12_CR=4/5
Interface SPI
Ébrécher SX1276
Fréquence 915 MHz
Modulation LoRa
Puissance de sortie 100 mW
Certification ID FCC

Caractéristiques du module LoRa SX1276 LoRa1276

  • Gamme de fréquences : 915 MHz (personnalisable de 137 à 1 020 MHz)
  • Sensibilité : -139 dBm @Lora
  • Puissance de sortie maximale : 20 dBm
  • Faible courant de réception : 10,8 mA
  • Courant de veille < 1,5 uA
  • Taux de transfert de données : 1,2-300 Kbps @FSK 0,018-37,5 Kbps @Lora,
  • Mode de modulation Lora, FSK, GFSK
  • Protection ESD intégrée
  • Plage dynamique RSSI de 127 dB
  • 256 octets FiFo&CRC
  • Fonction de saut de fréquence
  • Capteur de température intégré et indicateur de batterie faible
  • Plage de température de fonctionnement : -40 ~ +85 °C

Applications du module LoRa SX1276 LoRa1276

  • Relevé de compteur à distance
  • Contrôle industriel
  • Télédétection domotique
  • Contrôle des jouets
  • Réseau de capteurs
  • Surveillance de la pression des pneus
  • Surveillance de la santé
  • Périphériques PC sans fil

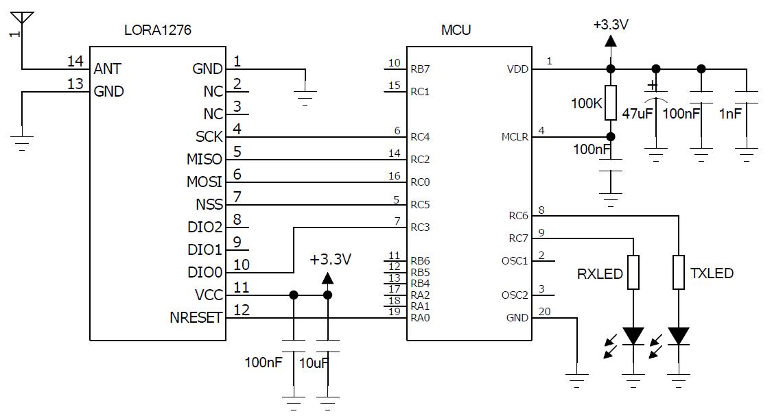
Circuit d'application du module frontal sans fil LoRa 915 MHz LoRa1276 - 915


Définition des broches du module frontal sans fil LoRa 915 MHz LoRa1276 - 915

Broche N°Nom de la brocheDescription
1GNDterre d'alimentation
2Caroline du NordVide
3Caroline du NordVide
4SCKHorloge série pour interface SPI
5MISOSortie SPI pour les données SPI
6MOSIEntrée SPI pour les données SPI
7NSSActivation SPI
8DIO2E/S numériques, personnalisables
9DIO1E/S numériques, personnalisables
10DIO0E/S numériques, personnalisables
11VCCAlimentation connectée (par défaut 3,3 V)
12NRESETRéinitialiser l'entrée
13GNDterre d'alimentation
14FOURMIConnectez-vous avec une antenne coaxiale de 50 ohms

Dimensions mécaniques du module frontal sans fil LoRa 915 MHz LoRa1276 - 915


Contactus
PrivacyPolicy

politique de confidentialité

· Politique de confidentialité

Il n'y a actuellement aucun contenu disponible


           

Courriel : sales@nicerf.com

Tél : +86-755-23080616

Adresse : 309-314, 3/F, bâtiment A, bâtiment commercial de Hongdu, zone 43, Baoan Dist, Shenzhen, Chine


×
Submit
0.322753s